AirTAC - วาล์วควบคุมอัตราการไหล ของก้อนกระบอกลม ASC Series

AirTAC - วาล์วควบคุมอัตราการไหล ของก้อนกระบอกลม ASC Series

AirTAC - วาล์วควบคุมอัตราการไหล ของก้อนกระบอกลม ASC Series
AirTAC - วาล์วควบคุมอัตราการไหล ของก้อนกระบอกลม ASC Series

FEATURES

AirTAC - วาล์วควบคุมอัตราการไหล ของก้อนกระบอกลม ASC Series

  1. Delicate and compact structure.
  2. Available to exhaust and cut off flow, sensitive in adjustment, high precision.
  3. Install in several positions to facilitate installation and application.

  • Specifications | AirTAC - วาล์วควบคุมอัตราการไหล ของก้อนกระบอกลม ASC Series

    ModelASC100-06ASC200-08ASC300-10ASC300-15
    Fluid Air (to be filtered by 40 µm filter element)
    Port size (1) 1/8" 1/4" 3/8" 1/2"
    Pressure range 0.05~0.95 MPa (7~135 psi)
    Proof pressure 1.5 MPa (215 psi)
    Temperature range -20~70 °C
    Material body Aluminum alloy
    Flow
    (l/min)
    Control flow 200 450 1250 1650
    Free flow 400 800 1500 2500
    1. PT thread, NPT thread and G thread are available.
  • Ordering code | AirTAC - วาล์วควบคุมอัตราการไหล ของก้อนกระบอกลม ASC Series

    Example: ASC300-10-P

    How to select: ASC(1) 300(2) 10(3) P(4)

    (1) Model(2) Code(3) Port size(4) Thread type
    ASC : Flow control valve 100: 100 series
    200: 200 series
    300: 300 series
    06: 1/8"
    08: 1/4"
    10: 3/8"
    15: 1/2"
    P: PT
    T: NPT
    G: G
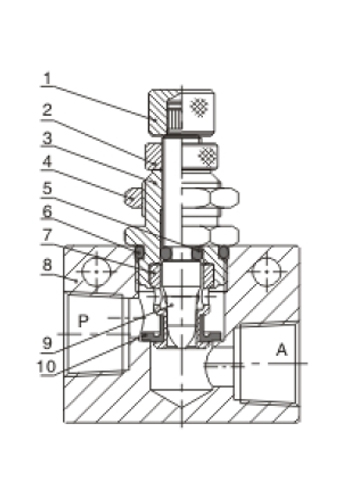
  • Inner structure | AirTAC - วาล์วควบคุมอัตราการไหล ของก้อนกระบอกลม ASC Series

    Inner AirTAC - วาล์วควบคุมอัตราการไหล ของก้อนกระบอกลม ASC Series

    NOItemNOItem
    1 Adiustment cap 6 O-ring
    2 Clamping cap 7 Throttle sheath
    3 Throttle body 8 Body
    4 Hexagon nut 9 Throttle column
    5 O-ring 10 Spool O-ring
  • Flow Chart | AirTAC - วาล์วควบคุมอัตราการไหล ของก้อนกระบอกลม ASC Series

    Flow Chart AirTAC - วาล์วควบคุมอัตราการไหล ของก้อนกระบอกลม ASC Series
    Flow Chart AirTAC - วาล์วควบคุมอัตราการไหล ของก้อนกระบอกลม ASC Series

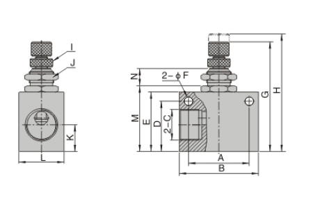
  • Dimensions | AirTAC - วาล์วควบคุมอัตราการไหล ของก้อนกระบอกลม ASC Series

    ASC100, ASC200

    Dimensions AirTAC - วาล์วควบคุมอัตราการไหล ของก้อนกระบอกลม ASC Series

    ASC300

    Dimensions AirTAC - วาล์วควบคุมอัตราการไหล ของก้อนกระบอกลม ASC Series
    Type\ItemASC100-06ASC200-08ASC300-10ASC300-15Type\ItemASC100-06ASC200-08ASC300-10ASC300-15
    A 22 26 35 35 H 52.3 56.3 74 74
    B 32 36 50 50 I M6 x 0.5 M6 x 0.5 M8 x 0.75 M8 x 0.75
    C 1/8" 1/4" 3/8" 1/2" J M12 x 0.75 M12 x 0.75 M16 x 1.0 M16 x 1.0
    D 18 23 32 32 K 10 13.5 17.5 17.5
    E 23 27 37 37 L 18 18 28 28
    F 4.3 4.3 5.3 5.3 M 26 30 40.5 40.5
    G 46.8 50.8 65 65 N 8.6 8.6 10.2 10.2

นิวแอนด์ไฮด์ สำนักงานใหญ่

  • 549/9 ถนนอ่อนนุช แขวงประเวศ
    เขตประเวศ กรุงเทพ ฯ 10250

  • เวลาทำการ : จ.-ศ. (08.00น. - 17.30น.)
  • Tel : 0-2743-8999
  • Fax : 0-2743-8990
  • E-mail : This email address is being protected from spambots. You need JavaScript enabled to view it.
  • Line ID : @pneuhyd, pneu_hyd

Copyright ® 2021 Pneu-hyd.CO.,Ltd All Rights Reserved Pneu&Hyd.co.th