AirTAC - แมคคานิควาล์ว Mechanical Valve แบบต่างๆ M5 Series
AirTAC - แมคคานิควาล์ว Mechanical Valve แบบต่างๆ M5 Series

- Exhuast outlet locates over the body, which is convenient to install meffler to decrease noise and pollution
- The external force required by direction-change of series of M5B, M5R, M5Y, M5PM, M5PP, M5PL and M5HS
- M5C, M5D, M5Y, M5PF, M5PP, M5PL and M5HS are operated munually, owning control joints with several structure forms and suitable for application under different conditions
- It is in sliding column structure that the control force is not in fluenced by working pressure (that is, there is no back pressure effect); internal circle is sealed with good tightness and the direction-change is sensitive
- Lubricant is not necessary
- Multi-mounting makes it convenient to install and apply
- The control joints of series of M5C, M5D, M5Y, M5R, and M5L are made of metal which has of metal which has longer service life and more reliable and steady preformance.
-
Specifications | AirTAC - แมคคานิควาล์ว Mechanical Valve แบบต่างๆ M5 Series
Model M5B M5C M5D M5R M5L M5Y M5PM M5PP M5PF M5PL M5HS Fluid Air (to be filtered by 40µm filter element) Operating External control direct acting type Port size (1) 05: M5, 06: 1/8", 08:1/4" Orifice size Mini type 05: 2.5 mm2 (Cv = 0.14) 110 08: 8.0 mm2 (Cv = 0.45) 210 06: 9.0 mm2 (Cv = 0.50), 08: 12.0 mm2 (Cv = 0.67) Valve type 5 port 2 position Lubrication (2) Not required Pressure range 0~1.0 MPa (0~145 psi) Proof pressure 1.5 MPa (215 psi) Temperature -20~70°C Material of body Aluminum alloy - PT thread, NPT thread and G thread are available.
- If add oil for lubrication, it is not allowed to stop midway. It is suggested to use ISO VG32 lubricant or the oil with the same grade.
-
Ordering code | AirTAC - แมคคานิควาล์ว Mechanical Valve แบบต่างๆ M5 Series
Example: M5PM21006RP
How to select: M5(1) PM(2) 210(3) 06(4) R(5) P(6)
(1) Valve's type (2) Model (3) Code (4) Port size (5) Button color (6) Thread type M5 : M type 3/2 way B: Basic type (1) 110 : 100 series single Control 06: 1/8" That has no color code if the botton for option P: PT
T: NPT
G: GC: Long handle type D: Short handle type 210 : 200 series single Control 06: 1/8"
08: 1/4"Y: Lever type R: Roller type L: Roller with free refurn type PL: Latching type (only red) R: Red PP: Protruding type (2) R: Red
G: Green
B: BlankPF: Flat type PM: Mushroom type HS: Selector type -
Inner structure | AirTAC - แมคคานิควาล์ว Mechanical Valve แบบต่างๆ M5 Series

NO Item NO Item 1 Screw 9 Spool 2 Fore cove 10 Spool O-ring 3 Body 11 Screw 4 Spacer 12 Roller holder 5 Positioning block 13 Axle 6 Screw 14 Rotating Block 7 Bottom cover 15 Rocker 8 Spring 16 Roller -
Flow Chart | AirTAC - แมคคานิควาล์ว Mechanical Valve แบบต่างๆ M5 Series

-
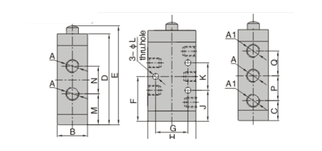
Dimensions | AirTAC - แมคคานิควาล์ว Mechanical Valve แบบต่างๆ M5 Series
Common type

Type\Item M5B110 M5B210 Tpye\Item M5B110 M5B210 A 06: 1/8" 06: 1/8" G 18 23.5 08: 1/4" H 27 35 A1 06: 1/8" 06: 1/8" J 22 22.5 08: 1/4" K 14 20 B 18 22 L 3.2 4.3 C 15 14.5 M 21 22.5 D 57.5 66 N 16 20 E 63 71.8 P 14 18 F 29 32.5 Q 14 18
