AirTAC - แมคคานิควาล์ว Mechanical Valve แบบวาล์วมือกด 4L Series
AirTAC - แมคคานิควาล์ว Mechanical Valve แบบวาล์วมือกด 4L Series

- วาล์วควบคุมด้วยมือ แบบดึง-กด ชนิด 5/2 ทาง Push-Pull Valve (5/2 Way) อุปกรณ์นิวเมติกส์ Pneumatics สินค้าแบรน AirTAC ของแท้จากประเทศไต้หวัน
-
Specifications | AirTAC - แมคคานิควาล์ว Mechanical Valve แบบวาล์วมือกด 4L Series
Model 4L110-06 4L210-06 4L210-08 4L310-08 4L310-10 Fluid Air (to be filtered by 40µm filter element) Operating Manual control direct acting type Port size (1) 1/8" 1/4" 3/8" Orifice size 12.0 mm2
(Cv = 0.67)14.0 mm2
(Cv = 0.78)16.0 mm2
(Cv = 0.89)25.0 mm2
(Cv = 1.39)30.0 mm2
(Cv = 1.67)Valve type 5 Port 2 position Lubrication (2) Not required Pressure range 0~0.08 MPa (21~114 psi) Proof pressure 1.5 MPa (215 psi) Temperature -20~70 °C Material of body Aluminum alloy - PT thread, NPT thread and G thread are available
- If add oil for lubrication, it is not allowed to stop midway. It is suggested to use ISO VG32 lubricant or the oil with the same grade.
-
Ordering code | AirTAC - แมคคานิควาล์ว Mechanical Valve แบบวาล์วมือกด 4L Series
Example: 4L110-06 / 4L210-06 / 4L210-08
How to select: 4L(1) 2(2) 10(3) 08(4) P(5)
(1) Model (2) Code (3)Valve type (4) Port size (5) Thread type 4L: 5 port 2 position push-pull valve 1: 100 series
2: 200 series
3: 300 series10: 2 position 06: 1/8"
08: 1/4"
10: 3/8"P: PT
T: NPT
G: G -
Inner structure | AirTAC - แมคคานิควาล์ว Mechanical Valve แบบวาล์วมือกด 4L Series

NO Item NO Item 1 Round head screw 8 Spring base 2 Bottom cover 9 Steel ball 3 Body 10 Hexagon nut 4 Spool 11 Top cover 5 O-ring 12 Safety nut 6 Spring 13 Hand grip 7 Stop screw -
Flow chart | AirTAC - แมคคานิควาล์ว Mechanical Valve แบบวาล์วมือกด 4L Series

-
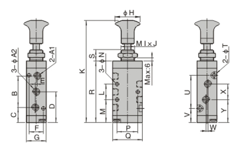
Dimensions | AirTAC - แมคคานิควาล์ว Mechanical Valve แบบวาล์วมือกด 4L Series

Item\Type 4L110 4l210 4L210 Item\type 4L110 4L210 4L310 06 06 08 08 10 06 06 08 08 10 A1 1/8" 1/8" 1/8" 1/4" 1/4" M 21.2 21.7 21.7 28 28 A2 1/8" 1/8" 1/4" 1/4" 3/8" N 3.3 4.3 4.3 4.3 4.3 B 26 36 36 45 45 P 19 23.5 23.5 27.5 27.5 C 14.2 13.7 13.7 17.5 17.5 Q 27 35 35 40 40 D 28.2 31.7 31.7 40 40 R 58 65 65 80.8 80.8 E 2 0 0 0 0 S 10 10 10 10 10 F 13 17 17 20 20 T 3.3 3.3 3.3 4.3 4.3 G 18 22 22 27 27 U 30 38 38 50 50 H 22 22 22 25 25 V 13.2 12.7 12.7 15 15 I 12 14 14 16 16 W 3 0 3 0 4 J 0.75 1.0 1.0 1.0 1.0 X 16 18 21 22
24 K 90 98 98 115 115 Y 20.2 22.7 21.2 29 28 L 14 20 20 24 24
