AirTAC - แมคคานิควาล์ว Mechanical Valve แบบวาล์วมือโยก 4H Series

AirTAC - แมคคานิควาล์ว Mechanical Valve แบบวาล์วมือโยก 4H Series

AirTAC - แมคคานิควาล์ว Mechanical Valve แบบวาล์วมือโยก 4H Series
AirTAC - แมคคานิควาล์ว Mechanical Valve แบบวาล์วมือโยก 4H Series

FEATURES

AirTAC - แมคคานิควาล์ว Mechanical Valve แบบวาล์วมือโยก 4H Series

  1. Manual operation, smooth actuation, and exact and reliable orientation
  2. Sliding column structure has good tightness and light weight and is easy to install and dismount
  3. Internal hole adopts special precessing technology which has little attrition friction, long service life
  4. No need to add oil for lubrication
  5. Panel-mounting makes it convenient to install and apply.

  • Specifications | AirTAC - แมคคานิควาล์ว Mechanical Valve แบบวาล์วมือโยก 4H Series

    Model210-06230-06210-08230-08310-08330-08310-10330-10
    Fluid Air (to be filtered by 40µm filter element)
    Operating Manual control direct acting type
    Port size (1) In=out=Exhaust=1/8" In=out=1/4"
    Exhaust=1/8"
    In=out
    Exhaust=1/4"
    In=out=3/8"
    Exhaust=1/4"
    Orifice size (mm2) 14.0 12.0 16.0 12.0 25.0 18.0 30.0 18.0
    Cv 0.78 0.67 0.89 0.67 1.39 1.0 1.67 1.0
    Valve type 5/2 Way 5/3 Way 5/2 Way 5/3 Way 5/2 Way 5/3 Way 5/2 Way 5/3 Way
    Lubrication (2) Not required
    Pressure range 0~0.8 MPa (0~116 psi)
    Proof pressure 1.5 MPa (215 psi)
    Temperature -20~70 °C
    Material of body Aluminum alloy
    Operating angle ±15° ±8.5° ±15° ±8.5° ±18° ±10° ±18° ±10°
    1. PT thread, NPT thread and G thread are available
    2. If add oil for lubrication, it is not allowed to stop midway. It is suggested to use ISO VG32 lubricant or the oil with same grade
  • Ordering code | AirTAC - แมคคานิควาล์ว Mechanical Valve แบบวาล์วมือโยก 4H Series

    Example: 4H210-06

    How to select: 4H(1) 2(2) 30C(3) 08(4) P(5)

    (1) Model(2) Code(3)Valve type(4) Port size(5) Thread type
    4H: manual return
    4HA: spring return
    2: 100 series
    3: 100 series
    10: 5/2 Way
    30E: 5/3 Way closed center
    30C: 5/3 Way exhaust center
    06: 1/8"
    08: 1/4"
    10: 1/8"
    P: PT
    T: NPT
    G: G
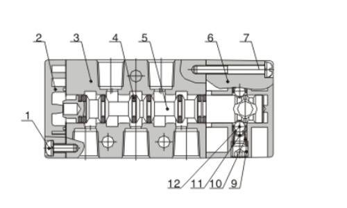
  • Inner structure | AirTAC - แมคคานิควาล์ว Mechanical Valve แบบวาล์วมือโยก 4H Series

    AirTAC 4H series inner
    AirTAC 4H series  inner
    NOItemNOItem
    1 Round head screw 9 Stop screw
    2 Bottom cover 10 Spring
    3 Body 11 Steel ball jacket
    4 O-ring 12 Steel ball
    5 Spool 13 E clip
    6 Top cover 14 Side cover
    7 Round head screw 15 Spring
    8 Axle 16 Spring holder
  • Flow chart | AirTAC - แมคคานิควาล์ว Mechanical Valve แบบวาล์วมือโยก 4H Series

    Flow chart AirTAC - Mechanical Valve 4H Series
    Flow chart AirTAC - Mechanical Valve 4H Series
  • Dimensions | AirTAC - แมคคานิควาล์ว Mechanical Valve แบบวาล์วมือโยก 4H Series

    4H210/310, 4HA210/310

    Dimensions AirTAC - Mechanical Valve 4H Series

    Type\ItemABCDEFGHIJKLMNOPQ0
    4H210-06
    4HA210-06
    81.5 57.5 32.5 22 90 7.5 69.5 18 20 36 18 35 23.5 1/8" 1/8" 4.3 - 15
    4H210-08
    4HA210-08
    81.5 57.5 32.5 22 90 7.5 69.5 18 20 36 21 35 23.5 1/8" 1/4" 4.3 1.5 15
    4H310-06
    4HA310-06
    101 73 40.5 27 93.5 8 87 18 24 45 22 40 27.5 1/4" 1/4" 4.3 - 18
    4H310-10
    4HA310-10
    101 73 40.5 27 93.5 8 87 18 24 45 24 40 27.5 1/4" 3/8" 4.3 2 18

    4H230C/330C, 4H230/330E

    Dimensions AirTAC - Mechanical Valve 4H Series

    Type\ItemABCDEFGHIJKLMNOPQѲ
    4H230C-06
    4H230E-06
    81.5 57.5 32.5 22 90.5 7.5 69.5 18 20 36 18 35 23.5 1/8" 1/8" 4.3 - 8.5
    4H230C-08
    4H230E-08
    81.5 57.5 32.5 22 90.5 7.5 69.5 18 20 36 21 35 23.5 1/8" 1/4" 4.3 1.5 8.5
    4H330C-08
    4H330E-08
    101 73 40.5 27 94 8 87 18 24 45 22 40 27.5 1/4" 1/4" 4.3 - 10
    4H330C-10
    4H330E-10
    101 73 40.5 27 94 8 87 18 24 45 24 40 27.5 1/4" 3/8" 4.3 2 10

    4HA230C/330C, 4HA230E/330E

    Dimensions AirTAC - Mechanical Valve 4H Series

    Type\ItemABCDEFGHIJKLMNOPQѲ
    4HA230C-06
    4HA230E-06
    100.5 76.5 32.5 22 90.5 7.5 88.5 18 20 36 18 35 23.5 1/8" 1/8" 4.3 - 8.5
    4HA230C-08
    4HA200-08
    100.5 76.5 32.5 22 90.5 7.5 88.5 18 20 36 21 35 23.5 1/8" 1/4" 4.3 1.5 8.5
    4H330C-08
    4HA330E-08
    120 92 40.5 27 94 8 106 18 24 45 22 40 27.5 1/4" 1/4" 4.3 - 10
    4HA330C-10
    4HA330E-10
    120 92 40.5 27 94 8 106 18 24 45 24 40 27.5 1/4" 3/8" 4.3 2 10

นิวแอนด์ไฮด์ สำนักงานใหญ่

  • 549/9 ถนนอ่อนนุช แขวงประเวศ
    เขตประเวศ กรุงเทพ ฯ 10250

  • เวลาทำการ : จ.-ศ. (08.00น. - 17.30น.)
  • Tel : 0-2743-8999
  • Fax : 0-2743-8990
  • E-mail : This email address is being protected from spambots. You need JavaScript enabled to view it.
  • Line ID : @pneuhyd, pneu_hyd

Copyright ® 2021 Pneu-hyd.CO.,Ltd All Rights Reserved Pneu&Hyd.co.th